Đèn diệt khuẩn UV Ultraqua - Denmark
10.000.000 đ
1.000.000.000 đ
Lọc nước biển thành nước ngọt từ lâu đã là đề tại được nhiều nhà khoa học trên toàn thế giới nghiên cứu triển khai. Do dân số ngày càng gia tăng, nhu cầu sử dụng nước ngọt ngày càng cao, trữ lượng nước ngọt hạn chế.
Tuy vậy những tác động từ hoạt động khai thác tự nhiên, sản xuất và sinh hoạt của con người đã làm cho nguồn nước ngọt ngày càng cạn kiệt. Trong khi đó 75% lượng nước trên bề mặt trái đất là nước mặn.
Vì vậy lọc nước biển thành nước ngọt là cuộc cách mạng trong việc khai thác nguồn nước sạch phục vụ các hoạt động sống trên trái đất.

Công nghệ khử mặn nước biển từ lâu đã được sử dụng để cung cấp nước cho các tàu hoạt động dài ngày trên biển.
Tuy nhiên, những tiến bộ kỹ thuật mới chỉ thực sự được phát triển từ những năm 1940. Công nghệ bay hơi và ngưng tụ Vào những năm 1950, công nghệ lọc nước biển phổ biến vẫn là công nghệ bay hơi và ngưng tụ.
Phương pháp bay hơi sử dụng sự chuyển pha giữa chất lỏng và khí. Khử muối để loại bỏ muối ra khỏi nước và phương pháp bay hơi bằng chưng cất nhiệt, sau đó cho ngưng tụ lại.
Cho đến giữa những năm 1960, một công nghệ khử muối mới, tách màng (Na +), magie (Mg2 +), ion clo (Cl-) đã được tìm ra để xử lý nước biển.
Tổng nồng độ chất rắn hòa tan (TDS) của nước biển là 35.000 mg/L và nồng độ TDS của nước uống thường đòi hỏi 500 mg/L hoặc ít hơn. Và 99% yêu cầu loại bỏ TDS là cần thiết khi nước biển được sử dụng làm nước thô.
Đó chính là phương pháp điện phân Electrodialysis (ED) là một phương pháp trong đó muối được loại bỏ bằng cách cho nước đi qua giữa các màng điện tích. Phương pháp này tỏ ra hiệu quả hơn phương pháp cho bay hơi như truyền thống.
Tuy nhiên, nhược điểm lớn nhất của nó là điện năng tiêu thụ quá lớn, dẫn đến chi phí cao.
Vào giữa những năm 1970, 1980, công nghệ lọc nước biển thành nước ngọt có được những sự đột phá mới. Lần đầu tiên, công nghệ thẩm thấu ngược RO được giới thiệu như một giải pháp đột phá trong lọc nước biển thành nước ngọt.
Phương pháp thẩm thấu ngược (RO) bao gồm các công đoạn thu nhận nước, tiền xử lý, RO và sau xử lý. Trong giai đoạn thu nhận nước, điều quan trọng là chọn điểm và phương pháp lấy nước để có được nước biển sạch. Đây là một yếu tố rất quan trọng. Nước dùng trong phương pháp này phải lấy từ độ sâu 60m trở lên để lấy nước biển sạch.
Trước khi công đoạn tiền xử lý diễn ra, nước biển được đưa qua một bộ lọc và thiết bị lọc để loại bỏ cát và tạp chất. Giai đoạn tiền xử lý giúp loại bỏ chất rắn lơ lửng, các hợp chất vô cơ và các chất ô nhiễm hữu cơ.
Chất rắn nổi bao gồm keo và các hợp chất dạng hạt. Các Chất vô cơ bao gồm sắt, mangan, canxi cacbonat, canxi sulfat, stronti sulfate, và silica. Các chất ô nhiễm hữu cơ là các chất hữu cơ và vi sinh vật trong nước biển.
Giai đoạn tách muối ra khỏi nước sử dụng màng RO. Nước biển được bơm qua màng lọc R.O dưới áp lực cao tạo thành dòng nước ngọt tinh khiết và dòng nước muối đậm đặc.
Giai đoạn sau xử lý, nước sau khi được tách muối thì được ổn định pH, sau đó được khử trùng và đưa vào sử dụng.
Phương pháp thẩm thấu ngược tiêu tốn nhiều năng lượng: 4kWh/1m3nước.
Công nghệ R.O có chi phí đầu tư, vận hành và quản lý rất cao. Màng lọc R.O phải thay thế thường xuyên do tắc nghẽn.
Việc xử lý nước muối (là nước thải của nhà máy) rất khó khăn. Nếu nhà máy đóng ở vùng duyên hải thì nước muối có thể thải trở lại biển, nhưng nếu nhà máy khử mặn nằm trong đất liền thì mọi chuyện sẽ phức tạp hơn nhiều.
Nhiều địa phương có quy định không cho xả nước thải (nước muối) từ nhà máy khử mặn ra hồ ao, đầm ruộng, cống rãnh.
Những năm gần đây, với sự phát triển của công nghệ phân tử. Các nhà khoa học đã từng bước hoàn thiện màng lọc Nano dùng trong lọc nước biển thành nước sinh hoạt.
Công nghệ thẩm thấu ngược R.O được đánh giá là có chi phí điện năng cao nên người ta đã nghiên cứu dùng phương pháp tiêu tốn ít năng lượng hơn là dùng màng lọc nano (nanofilter – NF) để biến nước biển thành nước ngọt.
Bên cạnh đó người ta cũng có thể kết hợp công nghệ màng NF với màng R.O để biến đổi nước mặn thành nước ngọt cấp cho sinh hoạt và sản xuất của con người.
Màng thẩm thấu ngược cho nước biển Nano Filter, kết hợp công nghệ tiên tiến của Nano Composites vào màng phim mỏng (TFN) giúp cho chi phí khử muối giảm, trong khi đó chất lượng nước được cải thiện.
Công nghệ loại bỏ muối trong nước biển có thể loại bỏ 99,85% muối. Màng thẩm thấu Nano Filter đã chứng minh khả năng thông qua các dự án tại nhiều nước trên thế giới.
Là quốc gia ven biển, có bờ biển dài trên 3.260km, có diện tích các vùng lãnh hải thuộc chủ quyền, quyền chủ quyền, quyền tài phán trên 1 triệu km2, với 2 quần đảo Hoàng Sa, Trường Sa và trên 3.000 đảo và quần đảo khác.
Việt Nam có trên 50% dân số sống ở 28 tỉnh, thành phố ven biển; có nhiều tiềm năng lớn để phát triển kinh tế biển, như: giao thông vận tải biển; khai thác và chế biến khoáng sản; khai thác, nuôi trồng và chế biến hải sản, phát triển du lịch biển... Bên cạnh các hoạt động phát triển kinh tế biển trên thì nhu cầu sử dụng nguồn nước sạch là rất lớn, lượng tiêu thụ hàng tỷ m3 nước sạch/ năm.
Xuất phát từ nhu cầu đó, từ năm 2013 lãnh đạo Dolwater đẵ chăn chở, tìm hướng đi phù hợp cho bài toán nước sạch này. Dolwater hiện đang hợp tác làm nhà phân phối cho các hãng nổi tiếng thế giới ở nhiều phân khúc khác nhau.
Tuỳ vào quy mô và suất đầu tư, khách hàng có thể lựa chọn tối ưu các thiết bị từ các hãng sau: Fluence (Mỹ); Wet (Mỹ), Pall (Mỹ), Metito (Ai Cập).
Làm thế nào để lấy nước biển cho hệ thống lọc nước biển thành nước ngọt? Các công trình lấy nước biển về cơ bản được phân thành 03 (ba) loại, bao gồm: lấy nước từ giếng bãi biển, lấy nước dưới bề mặt và lấy nước biển lộ thiên.
Bài viết này sẽ xem xét các lựa chọn công nghệ lấy nước biển có sẵn cho hệ thống lọc nước biển thành nước ngọt và sẽ xem xét các công nghệ được sử dụng để cung cấp lượng nước biển đáng tin cậy với chất lượng tốt nhất hiện có.
Giếng thu nước từ bãi biển có nghĩa là nước biển chảy ra từ giếng lấy nước được xây dựng càng gần bờ biển càng tốt sẽ được lọc dưới đáy biển làm nguồn nước cho hệ thống lọc nước biển. Loại nước biển này đặc biệt bị thu hút bởi hệ thống lọc nước biển thành nước ngọt với ưu điểm là độ đục thấp và chất lượng tốt do các hạt trong nước biển được giữ lại từ quá trình lọc tự nhiên. Dự án tiếp nhận nước khử mặn bằng nước biển là một phần quan trọng của hệ thống lọc nước biển thành nước ngọt, nhằm đảm bảo có thể cung cấp đủ nước cấp, ổn định và đáng tin cậy cho nhà máy khử mặn nước biển trong suốt vòng đời của nhà máy. Cơ sở lấy nước và xây dựng kết cấu lấy nước đều có tác động quan trọng đến việc đầu tư nhà máy khử mặn nước biển, chi phí sản xuất, hệ thống vận hành ổn định và môi trường sinh thái. Cần cân nhắc đầu tư vào công nghệ khử mặn nước biển, quy mô xây dựng và quy trình đáp ứng các yêu cầu về chất lượng nước khi phát triển các dự án lấy nước vào. Đồng thời, cửa lấy nước và các công trình lấy nước được lựa chọn dựa trên chất lượng nước thủy văn tại khu vực lấy nước, điều kiện địa chất, số liệu khí tượng và thiên tai.
Nước biển sâu của đại dương mở được đưa vào bờ thông qua việc xây dựng các đường ống dẫn nước và sau đó được cung cấp cho hệ thống lọc nước biển thành nước ngọt thông qua trạm bơm được xây dựng ở bờ biển, đây được gọi là “lấy nước ngầm”. Nói chung, khi mực nước biển dưới 1~6m, nước vào có chứa cá nhỏ, cỏ nước, rong biển và các vi sinh vật khác nên chất lượng nước không tốt. Hàm lượng của các vật liệu này giảm đi 20 lần khi mực nước lấy vào cao hơn mực nước biển 35m và chất lượng nước tốt, điều này có thể giúp giảm đáng kể chi phí vận hành của thiết bị tiền xử lý. Trong khi đó, nhiệt độ nước dưới bề mặt thấp hơn, có lợi cho quá trình khử mặn nước biển bằng nhiệt. Loại cửa lấy nước này thường được áp dụng ở những khu vực có đáy biển khá dốc, cách bờ biển trong vòng 50 m và độ sâu nước lên tới 35 m.
Thu nước lộ thiên là công trình lấy nước phổ biến nhất. Mặc dù chất lượng nước không tốt nhưng nó vẫn được áp dụng rộng rãi do ưu điểm đầu tư nhỏ, phạm vi ứng dụng rộng và trải nghiệm ứng dụng đầy đủ.
Các cơ sở lấy nước cho dự án khử mặn nước biển về cơ bản được phân loại thành ba loại trên, bao gồm lấy nước từ giếng bãi biển, lấy nước dưới bề mặt và lấy nước biển lộ thiên.
Nước thô chất lượng tốt có thể được cung cấp qua giếng lấy nước từ bãi biển, do đó làm giảm chi phí đầu tư và vận hành của thiết bị tiền xử lý, tuy nhiên khi vận hành cần xem xét cấu trúc địa chất biển, chất lượng nước thủy văn và các yếu tố không ổn định của chất lượng nước, và được xác nhận sau khi xem xét điều tra chuyên sâu.
Cửa lấy nước dưới bề mặt có khả năng cung cấp nước khá tốt, nhưng loại cửa lấy nước này có lẽ ít được áp dụng do đầu tư lớn và xây dựng phức tạp.
Thu nước biển lộ thiên - một loại phương pháp lấy nước phổ biến hơn, có thể được sử dụng cho các dự án khử mặn nước biển khác nhau. Khi thiết kế dự án lấy nước biển, chúng ta nên xem xét toàn diện sự ăn mòn của vật liệu kim loại trong nước biển, sinh vật biển và ảnh hưởng của thủy triều.
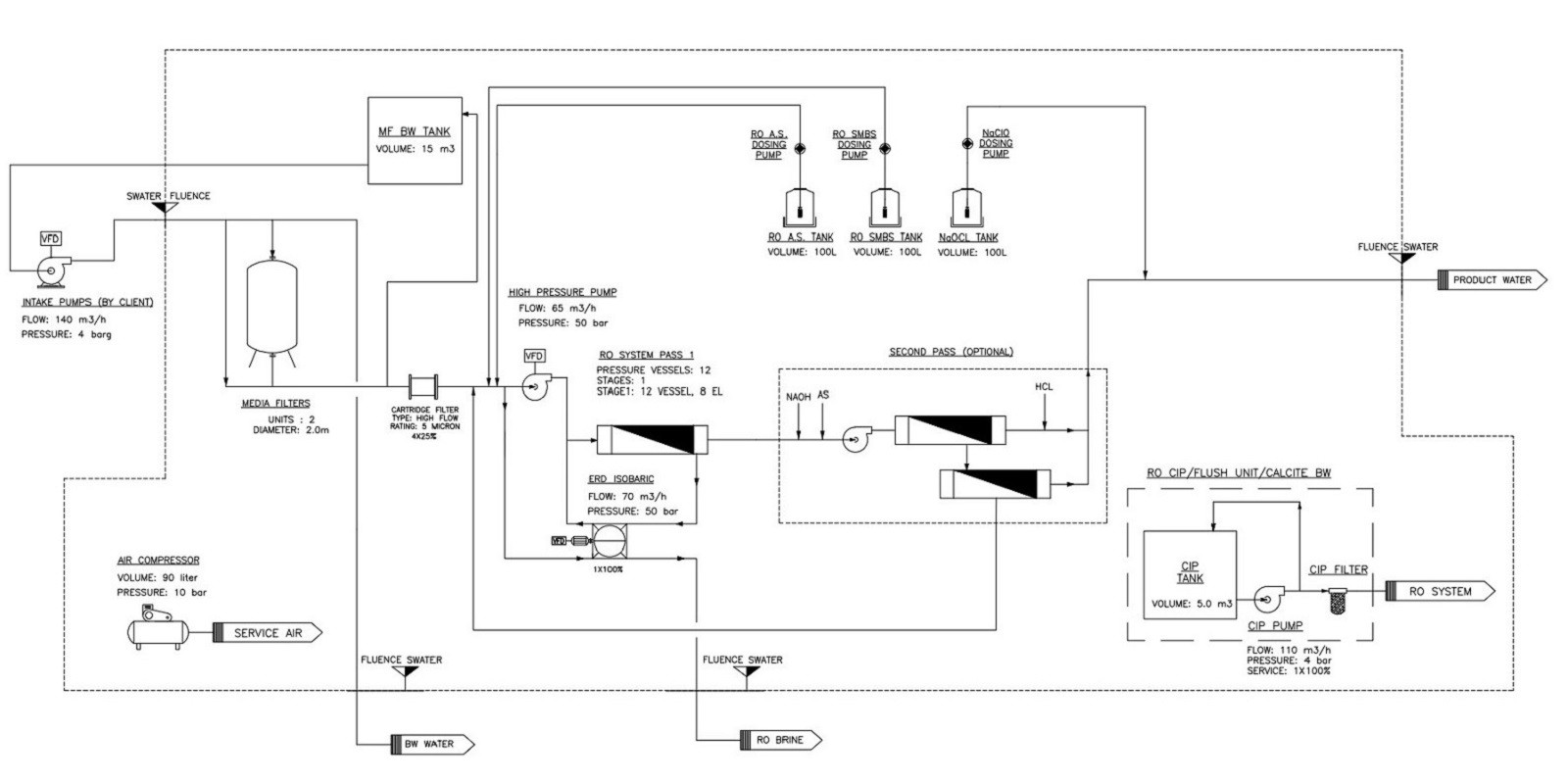
Là công nghệ sử dụng RO bán thấm RO hoạt động theo nguyên tắc thẩm thấu ngược. Nó có thể loại bỏ được 99% muối hòa tan (dạng Ion), hạt keo, hạt hữu cơ, vi khuẩn, vi rút), đảm bảo chất lượng nước sau xử lý theo yêu cầu.
Hệ thống được thiết kế gọn trên Skid để dễ dàng vận chuyển và tích hợp hệ thống thu hồi năng lượng để tiết kiệm điện năng tiêu thụ và chi phí vận hành.
Thiết bị lọc nước biển công nghệ thẩm thấu ngược (RO) bao gồm:
Hệ thống xử lý nước thẩm thấu ngược (RO) cũng bao gồm các điều khiển dựa trên PLC và có khả năng hoạt động tự động hoàn toàn để hạn chế tối đa các tác động của người vận hành. Các thiết bị an toàn nhằm bảo vệ hệ thống RO và các bộ phận của nó khỏi các tình trạng lỗi phổ biến.
Nguyên lý hoạt động của RO là quá trình, một thiết bị điều khiển mực nước được đặt trong bể chứa nước thành phẩm, sẽ gửi tín hiệu điều khiển đến bộ điều khiển hệ thống RO để bắt đầu trình tự khởi động hệ thống RO.
Trình tự khởi động hệ thống RO bao gồm hai giai đoạn, xả nước hệ lọc thô và xả nước màng lọc. Khi nhận được tín hiệu khởi động RO, (các) bơm cấp nước biển đầu vào sẽ được bật để cung cấp nước biển cho các bình lọc thô trước khi được đưa vào hệ thống thẩm thấu ngược.
Hóa chất tiền xử lý chống đóng cặn và van cấp nước đầu vào của hệ thống lọc nước biển RO sẽ được tiêm vào hệ thống để bắt đầu chu trình lọc nước.
Chu trình lọc nước sẽ cho phép cung cấp các chất phụ gia chống đóng cặn để ổn định và ức chế sự kết tủa của các thành phần khoáng chất hòa tan trong nước đầu vào cho hệ thống mảng màng lọc, cũng như loại bỏ không khí khỏi hệ thống và đảm bảo áp suất nguồn nước đầu vào cho máy bơm áp suất cao.
Như áp suất nước biển trong đường hút của màng lọc thẩm thấu ngược đã được cài đặt, có một công tắc cảm biến áp suất đầu vào để đảm bảo áp suất hút của bơm là đủ trước khi bơm cao áp bắt đầu.
Trong mảng màng lọc, nguồn nước cấp đi vào được chia thành hai dòng, dòng nước qua màng lọc và dòng nước không qua có hàm lượng chất hòa tan cao (concentrate water).
Nước thấm qua màng lọc được chuyển đến bể chứa nước và một phần được chuyển sang téc chứa nước làm sạch RO CIP /flush. Hóa chất sau xử lý sẽ được bật khi bơm tăng áp RO hoạt động, nước thành phẩm (thẩm thấu) từ thiết bị thẩm thấu ngược sẽ được bơm hóa chất khử trùng và điều chỉnh pH trước khi nó chảy vào bể chứa nước sạch.
Hệ thống lọc chất hòa tan RO sẽ được xử lý phù hợp với tiêu chuẩn tại địa phương. Khi téc chứa nước ngọt đầy, thiết bị cảm biến mực nước sẽ gửi tín hiệu tắt máy đến hệ thống điều khiển RO và chu trình xả (post-flush) của hệ thống RO sẽ được bắt đầu.
Khi nhận được tín hiệu tắt bơm tăng áp của hệ RO, (các) bơm cấp nước đầu vào và van nước đầu vào RO sẽ bị đóng lại. Van hút nước làm sạch (inlet flushvalve) của hệ thống RO và bơm CIP / Flush sẽ được cấp năng lượng giữ lại nước thấm qua các màng lọc của hệ thống RO.
Chu trình làm sạch sâu (Post-flush) sẽ loại bỏ các chất gây ô nhiễm tập trung khỏi hệ thống, do đó giảm thiểu sự ăn mòn trong hệ thống và giảm khả năng gây ô nhiễm sinh học của màng RO. Khi chu trình làm sạch hoàn tất, hệ thống RO sẽ chờ tín hiệu bắt đầu tiếp theo.
10.000.000 đ
20.000.000 đ
100.000.000 đ